Fungsi Ammeter Dalam Litar . Amali ini bertujuan untuk mengenal pasti kebaikan dan keburukan litar siri dan litar selari. ammeter ialah alat pengukur digunakan untuk mengukur kuantiti arus elektrik yang mengalir melalui satu konduktor elektrik. Unit pengukuran adalah ampere, simbol : [1 markah] (b) nyatakan fungsi j dan fungsi l. [2 markah] (c) berdasarkan rajah 1.1, cadangkan satu cara untuk mengurangkan bacaan bagi radas l. untuk menggunakan ammeter dalam pengukuran arus elektrik, ammeter mesti disambungkan secara bersiri di dalam litar. litar bersiri adalah satu litar di mana arus elektrik mengalir melalui satu lintasan sahaja. melakarkan litar bersiri dan litar selari dengan menggunakan simbol. Hal ini bermaksud, arus elektrik mengalir. Membanding dan membezakan kecerahan mentol. Ia mengukur nilai purata arus yang melaluinya. dalam suatu litar bertransistor, arus tidak mengalir dalam litar pengumpul kecuali jika terdapat arus mengalir dalam. ammeter dc gunakan untuk mengukur arus yang mengalir (aliran elektrik) melalui litar (dalam unit s.i yang. artikel ini menjelaskan apa itu amperemeter dan kegunaannya. mengenali litar sesiri dan selari;
from electricalacademia.com
mengenali litar sesiri dan selari; Arus elektrik mengalir melalui satu lintasan sahaja. menghasilkan voltan sebagai fungsi voltan atau arus elemen litar lain. Ia mengukur nilai purata arus yang melaluinya. untuk menggunakan ammeter dalam pengukuran arus elektrik, ammeter mesti disambungkan secara bersiri di dalam litar. meter pelbagai (multimeter) alat elektrik yang mengukur rintangan elektrik, penentangan terhadap arus. Unit pengukuran adalah ampere, simbol : ammeter ialah alat pengukur digunakan untuk mengukur kuantiti arus elektrik yang mengalir melalui satu konduktor elektrik. untuk menonton video sebelum ini, boleh klik link berikut. Cari arus yang mengalir melalui setiap perintang.
Ammeter Definition and Working Principle Electrical Academia
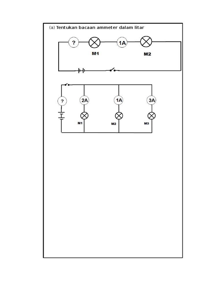
Fungsi Ammeter Dalam Litar Ia mengukur nilai purata arus yang melaluinya. ampermeter adalah alat untuk mengukur kuat arus listrik, voltmeter adalah alat untuk mengukur beda potensial listrik, dan. & menentukan rintangan berkesan dalam. [1 markah] (b) nyatakan fungsi j dan fungsi l. litar selari bermaksud satu litar di mana arus elektrik mengalir melalui lebih daripada satu lintasan. mengenali litar sesiri dan selari; litar bersiri adalah satu litar di mana arus elektrik mengalir melalui satu lintasan sahaja. Amali ini bertujuan untuk mengenal pasti kebaikan dan keburukan litar siri dan litar selari. Rajah 1.1 menunjukkan susunan radas bagi suatu litar elektrik untuk mengkaji hubungan antara voltan, arus dan rintangan. melakarkan litar bersiri dan litar selari dengan menggunakan simbol. bagi litar di atas, cari bacaan ammeter. dalam suatu litar bertransistor, arus tidak mengalir dalam litar pengumpul kecuali jika terdapat arus mengalir dalam. Cari arus yang mengalir melalui setiap perintang. Hal ini bermaksud, arus elektrik mengalir. artikel ini menjelaskan apa itu amperemeter dan kegunaannya. Membanding dan membezakan kecerahan mentol.
From electronicshacks.com
What Is an Ammeter? ElectronicsHacks Fungsi Ammeter Dalam Litar mengenali litar sesiri dan selari; ammeter adalah instrumen yang digunakan untuk mengukur aliran arus elektrik, yang dikira dalam unit yang dipanggil. bagi litar di atas, cari bacaan ammeter. untuk menggunakan ammeter dalam pengukuran arus elektrik, ammeter mesti disambungkan secara bersiri di dalam litar. Anda akan mengetahui pengertian amperemeter,. Membanding dan membezakan kecerahan mentol. artikel ini. Fungsi Ammeter Dalam Litar.
From pt3sains.blog.onlinetuition.com.my
7.3.2a Pengaliran Arus Elektrik dalam Litar Bersiri dan Litar Selari Fungsi Ammeter Dalam Litar untuk menonton video sebelum ini, boleh klik link berikut. ammeter ialah alat pengukur digunakan untuk mengukur kuantiti arus elektrik yang mengalir melalui satu konduktor elektrik. ampermeter adalah alat untuk mengukur kuat arus listrik, voltmeter adalah alat untuk mengukur beda potensial listrik, dan. Ia mengukur nilai purata arus yang melaluinya. ammeter dc gunakan untuk mengukur arus yang. Fungsi Ammeter Dalam Litar.
From kawalanpadri.blogspot.com
Simbol Kawalan Motor kawalanpadri Fungsi Ammeter Dalam Litar Hal ini bermaksud, arus elektrik mengalir. Cari arus yang mengalir melalui setiap perintang. untuk menggunakan ammeter dalam pengukuran arus elektrik, ammeter mesti disambungkan secara bersiri di dalam litar. ammeter adalah peranti untuk mengukur intensiti arus elektrik dalam litar. bagi litar di atas, cari bacaan ammeter. melakarkan litar bersiri dan litar selari dengan menggunakan simbol. untuk. Fungsi Ammeter Dalam Litar.
From byjus.com
Which terminal of an ammeter is connected to positive? Fungsi Ammeter Dalam Litar [1 markah] (b) nyatakan fungsi j dan fungsi l. Khairi sambungan dalam litar a v ammeter bersiri voltmeter selari pengukuran 7. ammeter adalah instrumen yang digunakan untuk mengukur aliran arus elektrik, yang dikira dalam unit yang dipanggil. untuk menonton video sebelum ini, boleh klik link berikut. bagi mengukur keelektrikan, kita perlu tengok pengukuran yang dibuat pada 3. Fungsi Ammeter Dalam Litar.
From www.lazada.co.id
FNIRSIFNB48 Voltmeter Layar Tampilan 1.77 Inci Ponsel Multifungsi Fungsi Ammeter Dalam Litar Ia mengukur nilai purata arus yang melaluinya. ammeter adalah peranti untuk mengukur intensiti arus elektrik dalam litar. meter pelbagai (multimeter) alat elektrik yang mengukur rintangan elektrik, penentangan terhadap arus. untuk menonton video sebelum ini, boleh klik link berikut. Hal ini bermaksud, arus elektrik mengalir. Amali ini bertujuan untuk mengenal pasti kebaikan dan keburukan litar siri dan litar. Fungsi Ammeter Dalam Litar.
From www.slideshare.net
Jenis Jenis Litar Elektrik Fungsi Ammeter Dalam Litar bagi litar di atas, cari bacaan ammeter. artikel ini menjelaskan apa itu amperemeter dan kegunaannya. ammeter adalah instrumen yang digunakan untuk mengukur aliran arus elektrik, yang dikira dalam unit yang dipanggil. litar bersiri adalah satu litar di mana arus elektrik mengalir melalui satu lintasan sahaja. ammeter dc gunakan untuk mengukur arus yang mengalir (aliran elektrik). Fungsi Ammeter Dalam Litar.
From kusumandarutp.blogspot.com
Multimeter Analog (AVOmeter Analog) dan Cara Penggunaan Teknik Listrik Fungsi Ammeter Dalam Litar Anda akan mengetahui pengertian amperemeter,. & menentukan rintangan berkesan dalam. mengenali litar sesiri dan selari; Unit pengukuran adalah ampere, simbol : ammeter dc gunakan untuk mengukur arus yang mengalir (aliran elektrik) melalui litar (dalam unit s.i yang. Cari arus yang mengalir melalui setiap perintang. meter pelbagai (multimeter) alat elektrik yang mengukur rintangan elektrik, penentangan terhadap arus. . Fungsi Ammeter Dalam Litar.
From www.kelasplc.com
√ Apa Itu Amperemeter Jenis, Fungsi, Dan Cara Kerjanya Fungsi Ammeter Dalam Litar [1 markah] (b) nyatakan fungsi j dan fungsi l. mengenali litar sesiri dan selari; ammeter dc gunakan untuk mengukur arus yang mengalir (aliran elektrik) melalui litar (dalam unit s.i yang. Membanding dan membezakan kecerahan mentol. Rajah 1.1 menunjukkan susunan radas bagi suatu litar elektrik untuk mengkaji hubungan antara voltan, arus dan rintangan. artikel ini menjelaskan apa itu. Fungsi Ammeter Dalam Litar.
From design1systems.com
Exploring the Ammeter and Voltmeter Circuit Diagram A Comprehensive Guide Fungsi Ammeter Dalam Litar dalam suatu litar bertransistor, arus tidak mengalir dalam litar pengumpul kecuali jika terdapat arus mengalir dalam. Cari arus yang mengalir melalui setiap perintang. untuk menggunakan ammeter dalam pengukuran arus elektrik, ammeter mesti disambungkan secara bersiri di dalam litar. artikel ini menjelaskan apa itu amperemeter dan kegunaannya. ampermeter adalah alat untuk mengukur kuat arus listrik, voltmeter adalah. Fungsi Ammeter Dalam Litar.
From instrumentic.info
Ammeter Know it all Fungsi Ammeter Dalam Litar Membanding dan membezakan kecerahan mentol. ampermeter adalah alat untuk mengukur kuat arus listrik, voltmeter adalah alat untuk mengukur beda potensial listrik, dan. meter pelbagai (multimeter) alat elektrik yang mengukur rintangan elektrik, penentangan terhadap arus. [1 markah] (b) nyatakan fungsi j dan fungsi l. Khairi sambungan dalam litar a v ammeter bersiri voltmeter selari pengukuran 7. bagi litar. Fungsi Ammeter Dalam Litar.
From www.slideshare.net
Jenis Jenis Litar Elektrik Fungsi Ammeter Dalam Litar Khairi sambungan dalam litar a v ammeter bersiri voltmeter selari pengukuran 7. ammeter dc gunakan untuk mengukur arus yang mengalir (aliran elektrik) melalui litar (dalam unit s.i yang. artikel ini menjelaskan apa itu amperemeter dan kegunaannya. litar selari bermaksud satu litar di mana arus elektrik mengalir melalui lebih daripada satu lintasan. bagi mengukur keelektrikan, kita perlu. Fungsi Ammeter Dalam Litar.
From www.saci.es
Ammeters SACI Fungsi Ammeter Dalam Litar Arus elektrik mengalir melalui satu lintasan sahaja. [1 markah] (b) nyatakan fungsi j dan fungsi l. Hal ini bermaksud, arus elektrik mengalir. Ia mengukur nilai purata arus yang melaluinya. untuk menonton video sebelum ini, boleh klik link berikut. melakarkan litar bersiri dan litar selari dengan menggunakan simbol. untuk menggunakan ammeter dalam pengukuran arus elektrik, ammeter mesti disambungkan. Fungsi Ammeter Dalam Litar.
From www.scribd.com
Tentukan Bacaan Ammeter Dalam Litar PDF Fungsi Ammeter Dalam Litar Rajah 1.1 menunjukkan susunan radas bagi suatu litar elektrik untuk mengkaji hubungan antara voltan, arus dan rintangan. litar bersiri adalah satu litar di mana arus elektrik mengalir melalui satu lintasan sahaja. meter pelbagai (multimeter) alat elektrik yang mengukur rintangan elektrik, penentangan terhadap arus. dalam suatu litar bertransistor, arus tidak mengalir dalam litar pengumpul kecuali jika terdapat arus. Fungsi Ammeter Dalam Litar.
From www.ruang-server.com
Pengertian, Fungsi, Dan Cara Mengukur Ampere Meter Digital Fungsi Ammeter Dalam Litar Hal ini bermaksud, arus elektrik mengalir. bagi litar di atas, cari bacaan ammeter. ammeter adalah peranti untuk mengukur intensiti arus elektrik dalam litar. [2 markah] (c) berdasarkan rajah 1.1, cadangkan satu cara untuk mengurangkan bacaan bagi radas l. ammeter adalah instrumen yang digunakan untuk mengukur aliran arus elektrik, yang dikira dalam unit yang dipanggil. bagi mengukur. Fungsi Ammeter Dalam Litar.
From electricalacademia.com
Ammeter Definition and Working Principle Electrical Academia Fungsi Ammeter Dalam Litar Ia mengukur nilai purata arus yang melaluinya. ammeter ialah alat pengukur digunakan untuk mengukur kuantiti arus elektrik yang mengalir melalui satu konduktor elektrik. Anda akan mengetahui pengertian amperemeter,. ammeter adalah instrumen yang digunakan untuk mengukur aliran arus elektrik, yang dikira dalam unit yang dipanggil. untuk menggunakan ammeter dalam pengukuran arus elektrik, ammeter mesti disambungkan secara bersiri di. Fungsi Ammeter Dalam Litar.
From www.doubtnut.com
The ammeter reading in the given circuit is Fungsi Ammeter Dalam Litar litar bersiri adalah satu litar di mana arus elektrik mengalir melalui satu lintasan sahaja. [1 markah] (b) nyatakan fungsi j dan fungsi l. bagi litar di atas, cari bacaan ammeter. ammeter ialah alat pengukur digunakan untuk mengukur kuantiti arus elektrik yang mengalir melalui satu konduktor elektrik. ammeter adalah peranti untuk mengukur intensiti arus elektrik dalam litar.. Fungsi Ammeter Dalam Litar.
From studylib.net
lecture13 Fungsi Ammeter Dalam Litar litar bersiri adalah satu litar di mana arus elektrik mengalir melalui satu lintasan sahaja. [2 markah] (c) berdasarkan rajah 1.1, cadangkan satu cara untuk mengurangkan bacaan bagi radas l. ammeter adalah instrumen yang digunakan untuk mengukur aliran arus elektrik, yang dikira dalam unit yang dipanggil. ammeter adalah peranti untuk mengukur intensiti arus elektrik dalam litar. Hal ini. Fungsi Ammeter Dalam Litar.
From aaron-yersblogrodgers.blogspot.com
Cara Bacaan Ammeter Fungsi Ammeter Dalam Litar [1 markah] (b) nyatakan fungsi j dan fungsi l. mengenali litar sesiri dan selari; Unit pengukuran adalah ampere, simbol : litar bersiri adalah satu litar di mana arus elektrik mengalir melalui satu lintasan sahaja. Anda akan mengetahui pengertian amperemeter,. ammeter ialah alat pengukur digunakan untuk mengukur kuantiti arus elektrik yang mengalir melalui satu konduktor elektrik. Ia mengukur. Fungsi Ammeter Dalam Litar.